Product Center
Committed to stepper motors and drivers control production research and development
Mobile: +86 18068528818 (Elaine Yang)
Telephone:0519-88381518
whatsapp:+86 18068528818
wechat:+86 18068528818
E-mail: cw@cw-motor.com
Add: Floor 4, Building D6, Hutang Technology Industrial Park, Hutang Town, Wujin District, Changzhou City, China
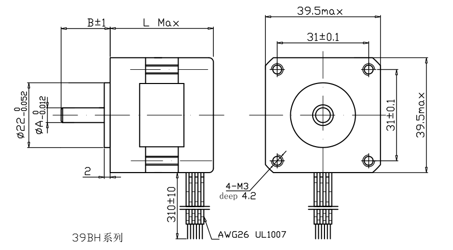
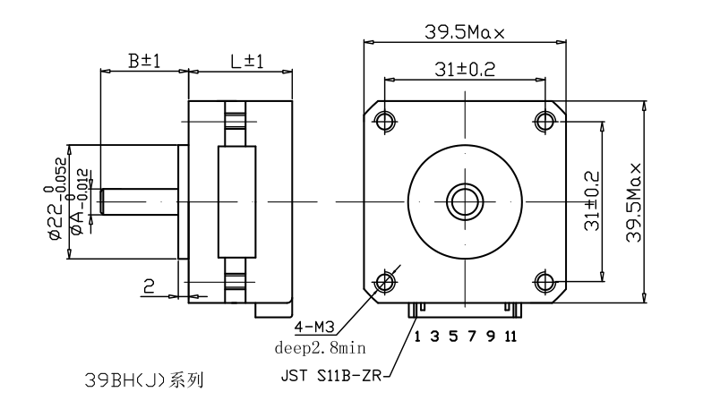
After years of research and summary for the universal demand of the motion control in various areas of the industrial automation,we CW motor carefully planned the stepper motor production line.CW hybrid stepper motor use the high quality cold rolled silicon steel sheet and high temperature permanent magnet materials.And we adopt the unique leading magnetic circuit design proposal in the industrial area.Our motor has the characteristic of high running torque, low temperature rising, high reliability and so on.It has good internal damping characteristics, no obvious oscillation area and operate smooth.
At present, the CW products are widely used in the automa-tion equipment, such as engraving machine, laser machine,CNC machine, Medical Equipment,the electronic processing equipment, textile & garment machinery, etc.
High Torque, low heat, low noise, smooth operation.
CW X1 BH X2 X3- X4X5- X6
CW: Changzhou Chuangwei Motor&Electric Apparatus Co., Ltd
X1: Motor frame size
BH: Hybrid stepper motor
X2: 1、If lack, it means it is two phase(four phase)regular torque
motor. The Step Angleis 1.8°
X3: Body length of the motor
X4: Motor current, three digits
X5: Motor winding and connection mode
X6: The manufacturer serial number
Note: 4 lead wire indicates A, 6 lead wire indicatse B, 8 lead wire indicates C, 5 lead wire indicates D, 3 lead wire indicates E.






Online Message
Mobile:+86 18068528818 (Elaine Yang)
E-mail: cw@cw-motor.com
Add:Floor 4, Building D6, Hutang Technology Industrial Park, Hutang Town, Wujin District, Changzhou City, China
Changzhou Chuangwei Motor & Electric Apparatus Co., Ltd 网站建设:zzw | 苏ICP备2021012447号-1