Product Center
Committed to stepper motors and drivers control production research and development
Mobile: +86 18068528818 (Elaine Yang)
Telephone:0519-88381518
whatsapp:+86 18068528818
wechat:+86 18068528818
E-mail: cw@cw-motor.com
Add: Floor 4, Building D6, Hutang Technology Industrial Park, Hutang Town, Wujin District, Changzhou City, China
1. Descriptions
CWD856 is a new generation hybrid servo driver, it uses the 32-bit DSP processor, the internal integrates the technology of the anti-resonance, low noise, micro-step, low temperature rise ,so that dramatically improve the performance of the stepper motor,with some characteristics of low noise, small vibration, low temperature and high-speed torque . The driver's interior use the adaptive PID technology, without manual adjustment can automatically generate the optimal parameters for different motor, the motor runs to achieve the best performance.
Drive voltage is DC 80-130DAC, for various types of two-phase hybrid closed loop stepping motor which current is less 8.0A , with automatic semi-flow, self-test, over-voltage, under-voltage and over-current protection.
2. Features
• high performance, low price
• micro-step
• Automatic idle-current reduction
• Optical isolating signal I/O
•Max response frequency up to 70Kpps
• Low temperature rise, smooth motion
• Online adaptive PID technology
3.Applications
CWD856 is a low-cost, high-performance servo systems, suitable for a variety of large-scale automated equipments and instruments, such as low-cost, low vibration, noise, high-precision, high-speed devices, And it is ideal for applications where the equipment uses a belt-drive mechanism or otherwise has low rigidity and you don't want it to vibrate when stopping.
4. Electrical parameters

二、 Parameter settings
1. Current setting

2. Semi-flow settings
Users can set the semi-streaming capabilities of driver through SW4 . OFF indicates half the quiescent current to dynamic current, 0.5 seconds after the pulse stops current automatically reduced to half; ON represents the static and dynamic current is the same current. SW4 should be set to OFF, so that the drive motor to reduce heat and improve reliability.
3. Subdivision setting

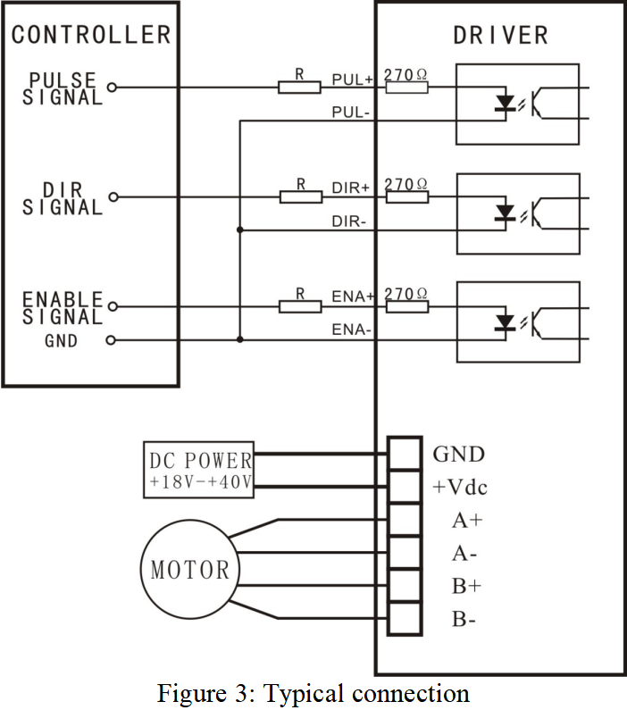
1. Control signal Connector(CN1)

2. Power and Motor Connector

3.The interface circuit of control signal






Online Message
Mobile:+86 18068528818 (Elaine Yang)
E-mail: cw@cw-motor.com
Add:Floor 4, Building D6, Hutang Technology Industrial Park, Hutang Town, Wujin District, Changzhou City, China
Changzhou Chuangwei Motor & Electric Apparatus Co., Ltd 网站建设:zzw | 苏ICP备2021012447号-1