Product Center
Committed to stepper motors and drivers control production research and development
Mobile: +86 18068528818 (Elaine Yang)
Telephone:0519-88381518
whatsapp:+86 18068528818
wechat:+86 18068528818
E-mail: cw@cw-motor.com
Add: Floor 4, Building D6, Hutang Technology Industrial Park, Hutang Town, Wujin District, Changzhou City, China
1. Descriptions
CW2283 is subdivided and high-performance stepper motor drive using constant angle and constant torque,which is designed for 130BYG、110BYG and other 8A following two-phase, four-phase hybrid stepping motor. The driver uses the circuit which is Similar to the principle of servo control with the features of smooth running, low noise, low vibration, low temperature rise of the motor .It has 16 kinds of micro-step, and the micro-step can be set from full step to 51200steps/rev.The working current can be set from 2.0A to 8.3A, and the output current has 16 stalls, the current resolution is about 0.5A; with automatic semi-flow, self-test, overvoltage, under-voltage and over-current protection. This driver is AC power, Voltage does not exceed 240VAC not less than 120VAC.
2. Features
• high performance, low price
• micro-step
• Automatic idle-current reduction
• Optical isolating signal I/O
•Max response frequency up to 70Kpps
• Low temperature rise, smooth motion
• Online adaptive PID technology
3.Applications
It is suitable for a variety of small-scale automation equipments and instruments, such as labeling machine, cutting machine, packaging machine, plotter, engraving machine, CNC machine tools and so on. It always performs well when applied for equipment which requires for low-vibration, low-noise, high-precision and high-velocity.
4.Electrical Specifications

1. Current setting
Dial switch: on=0; OFF=1

2. Standstill Current Setting
Half current is default
3 Micro-step setting
Dial switch: on=0; OFF=1

1. Control signal Connector

2. Power and Motor Connector

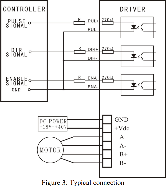
3. Control Signal Connector Interface




四、Problems and Solutions

The overall dimension of the driver is:195×108×84mm, see the overall dimension drawing for details. Pay attention to leave more than 10cm space for heat dissipation. During installation, it should be close to the metal cabinet to facilitate heat dissipation.

Online Message
Mobile:+86 18068528818 (Elaine Yang)
E-mail: cw@cw-motor.com
Add:Floor 4, Building D6, Hutang Technology Industrial Park, Hutang Town, Wujin District, Changzhou City, China
Changzhou Chuangwei Motor & Electric Apparatus Co., Ltd 网站建设:zzw | 苏ICP备2021012447号-1