Product Center
Committed to stepper motors and drivers control production research and development
Mobile: +86 18068528818 (Elaine Yang)
Telephone:0519-88381518
whatsapp:+86 18068528818
wechat:+86 18068528818
E-mail: cw@cw-motor.com
Add: Floor 4, Building D6, Hutang Technology Industrial Park, Hutang Town, Wujin District, Changzhou City, China
1. Descriptions
The CWD3M860 is a new generation digital 3-phase stepper motor driver, based on a 32-bit DSP processor, combination of the anti-resonance, low noise, micro-step and low temperature rise technology significantly improve the performance of the stepper motor, has low noise, small vibration, low temperature rise and high-speed torque. The driver use online adaptive PID technology, without manual adjustment can be automatically generated optimal parameters for different motors, and achieve the best performance.
Supply voltage range 20VAC to 60VAC or from 24VDC to 90VDC, suitable for driving various 3-phase hybrid stepping motors which phase current below 7.2A. The microstep can be set from full step to 40000steps/rev and the output current can be set form 2.4A to 7.2A; with automatic idle-current reduction, self-test, overvoltage, under-voltage and over-current protection.
2. Features
• high performance, low price
• micro-step
• Automatic idle-current reduction
• Optical isolating signal I/O
•Max response frequency up to 70Kpps
• Low temperature rise, smooth motion
• Online adaptive PID technology
3.Applications
Suitable for a variety of large-scale automation equipments and instruments. For example: labeling machine, cutting machine, packaging machine, plotter, engraving machine, CNC machine tools and so on. It always performs well when applied for equipment which requires for low-vibration, low-noise, high-precision and high-velocity.
4. Electrical parameters

1. Current setting

2. Standstill Current Setting
SW4 is used for standstill current setting. OFF meaning that the standstill current is half of the dynamic current; and ON meaning that standstill current is the same as the selected dynamic current. Usually the SW4 is set to OFF, in order to reduce the heat of the motor and driver.
3. Microstep Setting

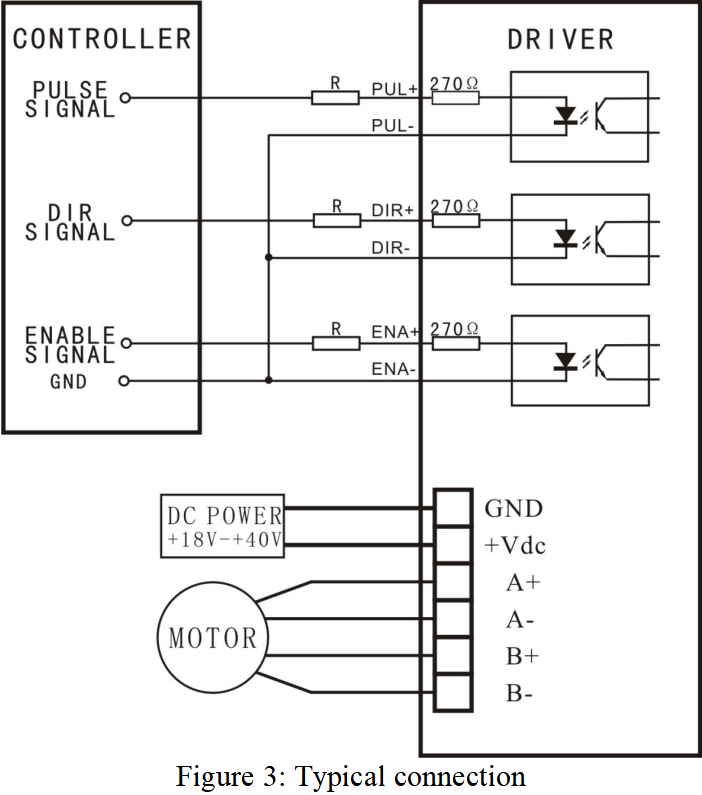
1. Control signal Connector

2. Power and Motor Connector

3.The interface circuit of control signal






Online Message
Mobile:+86 18068528818 (Elaine Yang)
E-mail: cw@cw-motor.com
Add:Floor 4, Building D6, Hutang Technology Industrial Park, Hutang Town, Wujin District, Changzhou City, China
Changzhou Chuangwei Motor & Electric Apparatus Co., Ltd 网站建设:zzw | 苏ICP备2021012447号-1