Product Center
Committed to stepper motors and drivers control production research and development
Mobile: +86 18068528818 (Elaine Yang)
Telephone:0519-88381518
whatsapp:+86 18068528818
wechat:+86 18068528818
E-mail: cw@cw-motor.com
Add: Floor 4, Building D6, Hutang Technology Industrial Park, Hutang Town, Wujin District, Changzhou City, China
1. Descriptions
CWD1182 stepper motor driver is novel segmentation driver that we absorb the new and the high-speed electronic technology based on original driver .The drive uses advanced technology with the advantages of low noise, high efficiency, wide voltage range, setting flexible, especially smooth operation, accurate positioning. In addition, this driver has the function of power off phase.
2. Features
• high performance, low price
• micro-step
• Automatic idle-current reduction
• Optical isolating signal I/O
•Max response frequency up to 70Kpps
• Low temperature rise, smooth motion
• Online adaptive PID technology
3.Applications
It is suitable for a variety of small-scale automation equipment and instruments. such as labeling machine, cutting machine. packing machine, plotter, engraving machine, CNC machine and so on.
4. Electrical parameters

二、 Parameter setting
1. Current setting

2. Standstill Current Setting
If the host controller does not send the signal in half a second step, the drive will automatically enter power-saving semi-liquid state, phase current of motor winding will be reduced to half of the set, in this state, motor and drive power can be reduced, but the motor output torque is also reduced accordingly. Recovery automatically the output current rating when next pulse arrives.
3. Microstep Setting

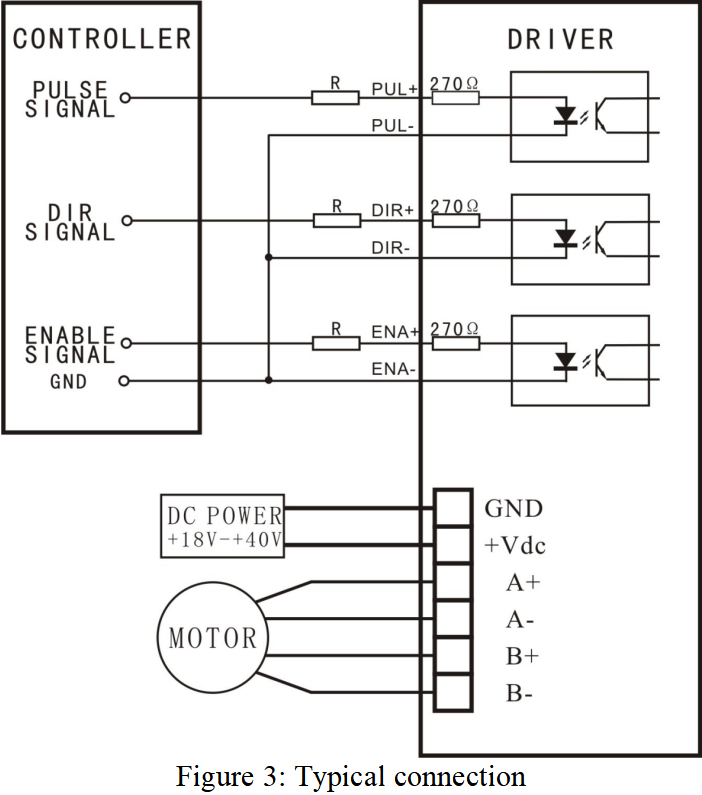
1. Control signal Connector

2. Power and Motor Connector

3.The interface circuit of control signal






Online Message
Mobile:+86 18068528818 (Elaine Yang)
E-mail: cw@cw-motor.com
Add:Floor 4, Building D6, Hutang Technology Industrial Park, Hutang Town, Wujin District, Changzhou City, China
Changzhou Chuangwei Motor & Electric Apparatus Co., Ltd 网站建设:zzw | 苏ICP备2021012447号-1