Product Center
Committed to stepper motors and drivers control production research and development
Mobile: +86 18068528818 (Elaine Yang)
Telephone:0519-88381518
whatsapp:+86 18068528818
wechat:+86 18068528818
E-mail: cw@cw-motor.com
Add: Floor 4, Building D6, Hutang Technology Industrial Park, Hutang Town, Wujin District, Changzhou City, China
1. Compared with the traditional stepper motor, the closed loop stepper motor will not lose step. And it ensures the precise position. What’S more, the operating speed of the equipment will be improved because of the 30 percent promotion in speed performance. Also, the heating of the motor will be declined by 20 percent when the motor functions normally.
2. Compared with the traditional AC servo motor, the closed loop stepper motor is more convenient to use without complex parameter adjustment. It can stop without shaking in high speed, so it is very suitable for the 0CCa-sion where the equipment starts and stops rapidly in a short distance. The other advantages of the motor are its low cost and strong torque.
At present, the CW products are widely used in the automation equipment, such as engraving machine, laser machine, CNC machine, Medical Equipment,the electronic processing equipment, textile & garment machinery, etc.
1.As same as AC servo system,the closed loop control technology do not lose step. Installing position encoder will make stepper motor have the characteristic of closed loop of servo motor. Obviously, the problem of losing step can be fundamentally resolved.
2.High speed performance of the motor can be greatly enhanced.And effective torque of the motor can be promoted more than 30 percent.
3.Heat generating of the motor can be decreased effectively. The output current as the load and speed get bigger and bigger,smaller and smaller.
4. Shorting the motor' s acceleration and deceleration time. The position response of output is almost real time synchronized to the input instruction, so it is suitable for the occasion where the equipment starts and stops rapidly in a short distance, and stops stably in zero-speed.
5.The motor has no vibration during braking. Closed loop servo system has characteristic of keeping torque which is unique to stepper motor. It can avoid vibration to arrive its position stably.
6.The motor runs more stably with higher accuracy. Using the advanced motor control DSP chip and the technology of vector control and smoothing filtering to achieve a smooth motion control of the stepper motor.
7.It is very convenient to use without adjusting the gain. As closed loop stepper servo system has the advantages of convenience as stepper motor has and reliability as servo system has, it can be very convenient to use without tedious parameter debugging.
X1BHX2X3-X4X5-X6
X1: Motor frame size
BH: Hybrid stepper motor
X2: 1、H represents two phase (four phase) big torque stepper motor, and the step angleis 1.8。2、 P represents three phase stepper motor, and the step angle is 1.2°
X3: Motor length
X4: Motor current, three digits
X5: Motor winding and connection mode
X6: The manufacturer serial number
Note: X6 suffx Ep, Mp, Eb represent closed loop motor
Note: 4 lead wire indicates A, 6 lead wire indicatse B, 8 lead wire indicates C, 5 lead wire indicates D, 3 lead wire indicates E.

|
57BHH series Current(A): 4.2-5.8 Holding Troque(kg.cm): 15-20 Length:76-80 |
|
|
|
60BHH series Current(A): 4.2-5.8 Holding Troque(kg.cm): 15-20 Length:76-80 |
|
|
|
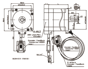
86BHH series Current(A): 3.8-6.0 Holding Troque(kg.cm): 35-80 Length:76-159 |
|
|
|
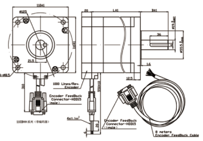
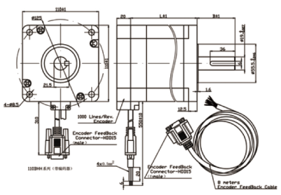
110BHH series Current(A): 4.2-6.0 Holding Troque(kg.cm): 120-160 Length:116-154 |
|
|
Online Message
Mobile:+86 18068528818 (Elaine Yang)
E-mail: cw@cw-motor.com
Add:Floor 4, Building D6, Hutang Technology Industrial Park, Hutang Town, Wujin District, Changzhou City, China
Changzhou Chuangwei Motor & Electric Apparatus Co., Ltd 网站建设:zzw | 苏ICP备2021012447号-1